![]() |
|
![]() |
Effect of High-Frequency Fields on Micro-Organisms Hugh Fleming
BECAUSE OF THE MANY VAGUE AND CONFLICTING REPORTS ON THE EFFECT OF SHORT WAVES ON MICRO-ORGANISMS, THE LABORATORY ANALYSIS REPORTED IN THIS ARTICLE WAS UNDERTAKEN; THE AUTHOR HAS ENDEAVORED TO CORRELATE THE ELECTRICAL DATA WITH MEDICAL AND BACTERIOLOGICAL DATA. BECAUSE OF TIME AND EQUIPMENT LIMITATIONS, THE STUDY SHOWS TRENDS IN ELECTROBIOLOGICAL TREATMENT AT HIGH FREQUENCIES RATHER THAN CONCLUSIVE EVIDENCE. Essential substance of a paper, " A Study of the Effect
of High-Frequency Fields on Micro-Organisms," which was awarded the
AIEE national prize for Branch paper for the academic year ending June
30, 1942. The paper was presented at a joint meeting on the Portland (
Oreg.) Section and the Oregon State College Branch, Corballis, May 16,
1942.
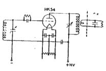
THE MEDICAL USE of high-frequency fields in producing artificial fevers has been recognized in Europe for 30 years. Medical men in the United States have used short-wave diathermy extensively for the last ten years. The basic pattern of use involves the exposure to a high-frequency field of an ailing portion of the body until the local temperature has been increased considerably. Heat is generated by the passage of eddy currents, hysteresis losses, and dielectric losses. The temporary rise in temperature is advantageous primarily because of the increased activity of disease-fighting components of the blood stream. Undoubtedly secondary effects exist, such as the outright killing of bacterial bodies unable to survive the rapid change of temperature and the rapid reversals of potential. Two general methods of enveloping the body in the high-frequency field are used. The most common of these is placing the structure to be treated in the dielectric field existing between two small applicator plates. The second method is to cause an inductive circuit to conform to the necessary dimensions so that it completely envelops a body part. Here the magnetic field would play a large part, and hysteresis losses would seem to be large. The Fisher Scientific Company has made extensive test on the relative heating efficiency of the two methods and has found the inductive method greatly superior. Originally the value of high-frequency treatment of humans was credited only to the uniform and localized fever effects made possible. More recently, a study of the effects of short waves upon bacteria and other micro-organisms has shown that lethal effects are evidenced without appreciable rise in temperature. Haase and Schliephake reported that no comparison could be made between the temperature of water passing high-frequency currents of lethal value and the temperature of hot water required to produce the same immobilizing action. This makes evident the existence of additional effects of germicidal value. High-frequency currents between the limits of 9,000 and 100,000 kilocycles are of recognized medical value. Generation is accomplished by means of vacuum-tube oscillators much in the same manner as for radio broadcast purposes. (See circuits in Figures 1 and 2.) In the literature, there are limited reports of attempts to immobilize micro-organisms in water media by the passage of high-frequency currents. Most of the work has been done by European doctors of medicine, with little presentation of what would be termed engineering data. It can be stated definitely that all forms of microscopic life can be immobilized with short waves if treatment is severe enough. Bacteria, in particular, are said to be immobilized rather than killed because the only determination that can be made is a test of their power of reproduction. Failing to reproduce, bacteria are considered dead. If microscopic examination shows bacteria broken into component parts, it can be assumed that they have been destroyed. However, merely turning on enough power to obtain a lethal effect is not economically sound, and it is reasonable that there should be a search for optimum germicidal conditions. Nearly all cell life can be speeded up in its rate of growth under the stimulus o high frequency. This action takes place at a progressively faster rate as the power is increased, until a point of overstimulation is reached and lethal effects occur. This point of overstimulation differs widely depending upon the age, virulence, and extent of colonization of the organism under study. A curve illustrating the rate of growth as a function of the power applied is given in Figure 3. Haase and Schliephake were able to immobilize both streptococci and staphylococci with waves from 3 to 20 meters. Hicks was unable to destroy these same bacteria with 4.5 meter waves. It is interesting to note that he reported cultures contained salt, which increased the conductivity of the water. Liebesny, using 20- to 30-meter waves, stated at the same time that bacteria were killed in reciprocal proportion to the increase of electrolyte introduced. From his experiments he claimed that the effect on a certain electrolyte is optimum (using a rise in temperature as the standard), when the dielectric properties have a definite mathematical relationship to frequency. He wrote an equation for this: K=fl (ex), where f represents frequency, the dielectric constant, and x , the reactance. Schmidt and Hoensdorf found that streptococci and escherichia coli were materially retarded in their growth in a moderate high-frequency field if localized. They reported good results at 4.6 meters in the presence of physiological salt or boric-acid solutions. Fabian and Graham tested bacillus coli and found that 30 meters with a current of 0.8 amphere produced death. They cautioned against concluding immediately on the immobilizing of bacteria, that they had been successfully killed as..."a seemingly lethal effect may be followed in a few days by a rapid and intensive growth." Tibor de Cholnoky indicates a correlation of media and lethal dosage. He states that water-borne bacteria are more difficult to immobilize than those in some other media such as air. Two theories have been proposed explaining the mechanics of rendering a culture of micro-organisms nonviable. The first of these is that the instantaneous temperature of the bacteria, or other life, can be raised to a very high value without necessarily affecting the surrounding media to a great extent. The assumptions are that the hysteresis, eddy current and IR losses are very great in the matter making up the cell. If this theory were true exclusively, it would appear that the effectiveness should be proportional to the frequency. As was pointed out already, there is a definite frequency band of optimum value above which the immobilizing effects diminish. The second theory explaining the lethal action of short waves involves the possibilities of mechanical stresses. Nearly all bacteria have a negative charge. It is believed that a condition of mechanical resonance is reached at certain frequencies that so distort the organic matter of the micro-organism that it is rendered non-viable. This would imply that the high-frequency field acts powerfully enough upon a bacterium, for instance, to cause it to travel a minute distance first in one direction and then in the reverse direction as the field is changed. These oscillations of the tiny bits of matter might well become so rapid as to exceed the elastic limits of the structure of the organism. Since different types of bacteria have entirely different physical dimensions as well as properties, it follows that the frequency of best destructive power would vary for each different type of cell treated. This is true although the optimum frequency for a given type of single cell life is not as critical as might be supposed. Some microscopic evidence of actual bacterial destruction due to distorted masses has been reported. The variables studied in the laboratory were: frequency, voltage, current, time, and conductivity of the media containing the micro-organisms. All were studied as a function of the immobilizing power of the high-frequency currents. VARIABLE-FREQUENCY TESTS In the variable-frequency tests, numerical concentrations of bacteria were maintained as constant as was possible. An attempt was made to keep power outputs constant for all tests by means of flashlight lamps in parallel with a nonresonant line and the loading network. Measurement of light intensity of the lamps was made with a light meter. It is evident that such an arrangement would not measure exactly the output, but would give sufficiently relative values to enable significant data to be taken regarding the remainder of the variables. In all cases, standard six-inch fermentation tubes filled with a total of ten cubic centimeters of media and culture were used. Two oscillators were used. For the range 10-25 meters a tuned-plate tuned-grid Gammatron 54 supplied the power, and below the range of five meters to 90 centimeters a resonant-line oscillator was used. (See Figures 1 and 2.) Utilized power output on all frequencies was approximately ten watts. In no case was a significant rise in temperature permitted. The standard type of bacteria tested were Escherichia coli, which are nonspore-forming vegetative cells found quite commonly in polluted rivers and streams. All tests were made in the electric field existing between two condenser plates.
Figure 3 Rate of growth of cell life under stimulus of high frequency. By referring to the curve in Figure 4, it can be seen that all frequencies tested had somewhat of a lethal effect upon the Escherichia coli. This effect became noticeably peaked around 60 megacycles. A standard time interval of one minute was used on all cultures. The frequency measurements were made by means of a radio receiver below 28 megacycles and by Lecher wires above 28 megacycles. Three sample and a control were taken for each of six frequency determinations (350, 200, 60, 28, 14, and 11 megacycles). Each fermentation tube was shaken before exposure to the high-frequency field to distribute the contents evenly and to assure uniform conductivity, and was plated immediately after exposure.
Figure 4 Effect of frequency on Escherichia coli. Samples: 10 cubic centimeters; control: 450,000,000 per cubic
centimeter. Maximum temperature 85 degrees Fahrenheit. VARIABLE-VOLTAGE AND CURRENT TESTS The theory holding that hysteresis and eddy-current losses in the high-frequency field raise the instantaneous temperature of a cell to a greater value than the surrounding medium would seem to indicate that the magnetic field plays the important part: On the other hand the theory of mechanical resonance implies that voltage gradients about the bacteria are important. Therefore a resonant line operating on 90 centimeters was devised of such dimensions that a fermentation tube could be placed either at a voltage node or a current node. Considerable unbalance in the oscillator was caused by the former instance, and relative values of power had to be supplied by adjusting the oscillator to a specific increase of plate-power input. For the tuning operations, sample tube of Escherichia coli had to be used to simulate the anticipated load. Test conditions again involved a standard time interval of one minute and a wave length of 90 centimeters. From the following data it is evident that a large voltage gradient across the bacteria is more important that a high current or an intense magnetic field: In two of the tests, the tubes of Escherichia coli were completely sterilized. The fermentation tubes filled with Escherichia coli acted very much like a portion of the resonant circuit. In one case a high current at a low potential drop made the tubes appear as a conductance, and in the other case a high potential drop caused the tubes to appear as a high resistance. An error was undoubtedly introduced by virtue of radiation from the large fins required for the current treatment. (See Figure 5.) However, it is believed that the tests made are sufficient evidence to support the generalization that obtaining voltage gradients within the solution is far more important that adjustment so as to pass a large radio-frequency current. Samples Average Count Per Cubic Centimeter Control .................... .....................450,000,000 TIME-VARIABLE TESTS All experiments with the element of time as a variable were made with constant-current values as indicated by a light meter and flashlight lamps as in the variable frequency tests previously considered. The power used was approximately ten watts. Standard six-inch fermentation tubes filled with ten cubic centimeters of Escherichia coli and media were used. During the first fraction of a minute almost all the bacteria are rendered nonviable. For the next few minutes, until the solution is completely sterilized, the lethal action appears to go on at a progressively slower rate. Thus, the instantaneous killing power might be written as a reciprocal function y=1/1_, where I represents time. This is in accord with a cluster theory of bacteria which indicates that colonies become more numerous as smaller groups are considered. The larger colonies, while representing a small percentage of the total, present a different mechanical and electrical characteristic, and reduce the effectiveness of the high frequency treatment. The difference in numbers of the bacteria making up a colony as well as their individual size could explain very well the lack of a definite optimum frequency for treatment.
The question of the effect of variations in conductivity of the medium containing the bacteria to be tested could be approached a number of ways. Variation in the number of bacteria per cubic centimeter causes variation in the conductivity. The type of media in which they were grown may contain varying amounts of salt. In addition, electrolytes such a sodium chloride or boric acid may be added in appreciable quantities without harm to the Escherichia coli used. The latter method was used to demonstrate the effect of varying conductivity upon the immobilizing power of the high frequency. A frequency of 28 megacycles was used with an approximate power of ten watts. The dielectric field was used, and three concentrations of salt were added, (0.5, 1.0 and 1.5 milligrams per cubic centimeter). See Figure 6. The time of treatment was one minute. The effects were evident at once. A higher concentration of electrolyte decreased the effectiveness of treatment. Again it appeared that high currents, although they generated heat more rapidly, would not give the results that a high-voltage stress would when conductivity and current were lowered.
Samples: 10 cubic centimeters; control: 500,000,000 per cubic centimeter. Maximum temperature variation per sample: 70 to 110 degress Fahrenheit. Exposure in dielectric field. Frequency: 28 megacycles. CONCLUSIONS It should be emphasized again that the experimental work was only developed to demonstrate trends in the immobilizing effect of the variables listed. Exact measurement of the actual energy dissipated within the fermentation tubes could not be made. Particularly was this true at the ultrahigh frequencies where the percentage of radiated power was appreciable. The study undertaken showed that germicidal results were easy to obtain even with small amounts of power, and suggests that for some applications a consideration of sterilization by means of exposure to high-frequency fields is warranted economically. Also the possibilities of greatly speeding up life process such as in yeast manufacture are evident. The best frequency to use for treating a given micro-organism depends upon the side of the organism. However, the bactericidal range can be roughly assigned to the 1-20 meter band. It is possible that additional lethal effects might be experienced in the ultrahigh frequency range, but control is difficult when it comes to treating large masses of organic matter. It is evident that a high potential gradient should be maintained for maximum effectiveness. This means that as little electrolyte as possible should be allowed in the presence of the high-frequency field. A high voltage necessitates a tuned circuit whose dimensions conform to the quantity to be treated. The results of the time study suggest that it would be much more economical to use a large amount of power for a short time. If sufficient power is used to immobilize the largest cluster of bacteria in a short interval of time, it appears that the remainder would be easily disposed of. Toward the close of the experimentation a new technique in testing the effects of high frequency upon bacteria was devised which greatly speeded up the analysis. The method is suggested for further study and outlined as follows: The bacteria to be tested are plated out in countable concentrations on a number of petri dishes. Wire can be imbedded in the agar solutions used so as to remain fixed in the gelatinous mass. Controlled amounts of energy are then applied to the petri dishes and a direct count can be made of colonies the next day. A variation of this consists of omitting the wires and substituting two metal plates on the top and bottom of the petri dishes, arranged to conform to the latter’s dimensions.
References 1. Action of Radio Waves on Insect Pests, .J.H. Davis. Scientific
American, Volume 148, 1933, page 272. |






